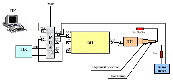
Схемы LP1

1.

Processor_Module

2.

Analog_Module

3.

Pre_Processing_Unit

 

 

 

 

Тестовые испитания приборов LP и DP